当前位置:首页 > 杏耀登录 >

背栓石材特点及安装工艺


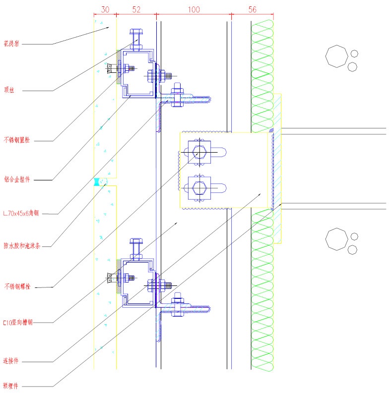
背栓式石材幕墙结构特点:



1、此结构属石材干挂技术第三代产品,杏耀登录是目前世界上较先进技术。是国内石材幕墙技术发展的方向。



2、该结构可实现石材的无内应力加工组合。



3、石材背面采用不锈钢胀栓连接,连接强度高,节省强度值约30%左右。



4、装配结构采用挂式,并可实现三维方向调整,杏耀登录板块抗变位能力强,满足了抗震性能要求。



5、维修性能好,可随时更换破损石材板块。



6、因进口专用设备加工,加工精度非常高,石材板块安装后,不需过多调整,即可实现非常高的板面平整度,外视效果优美,线条平直流畅。



7、可设置排水通道,使冷凝水及时排出,保证幕墙内侧合理的湿度。



8、因板面承受荷载性能优良,更加适用于气候条件恶劣,荷载较大的高层建筑。



9、因安全性能及结构长久性优良,故能够满足整个外墙装饰的使用年限及整个建筑的使用年限要求

  • 关注微信

猜你喜欢