当前位置:首页 > 杏耀注册 >

板材复合线条如何做,效果才更好!


现在家庭装饰项目很多,但家庭装饰项目的产品杂乱无章,各种产品均有,而且数量少。遇到少量线条时,一些石材加工企业因为没有荒料,因此采用板材复合的方式加工线条,这是个好的办法。



但是、板材复合线条,杏耀怎么注册如果复合不好将影响产品的质量,弄不好客户拒绝收货。板材如何复合线条还是有讲究的。本文以几款板材复合线条的例子阐述板材复合线条的方法、技巧。



01

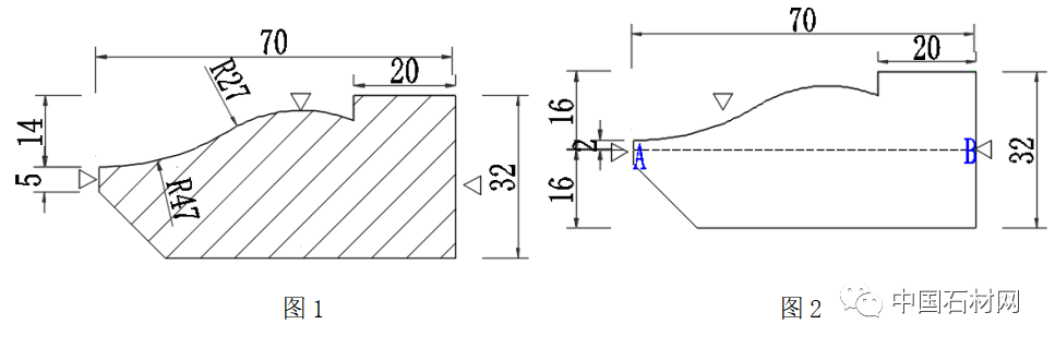
截面70*32线条



图1为一款截面70*32的线条,板材的厚度为32,可用板材16~20mm厚度的板材复合加工。



图2~图6是几种复合方案。图AB、BC、CD为粘接缝。





对比这几个复合方案,笔者认为从接缝的效果看,图5方案最棒,因为它利用图形的特点,粘接后没有出现接缝,好象用荒料加工的。



这种方案的不足就是粘接麻烦点;图4方案效果最差,因为粘接缝隙在线条的正面表面上,杏耀怎么注册如果粘接缝隙大了,胶的颜色不对,对线条的表面质量影响很大。事实上这种方案确实做不到好的质量;图2、图3的复合方案尚可。




但对比图2、图3两个方案,看起来差不多,实际上图3比图2方案更合理些。因为图3的粘贴线AB放在线条的台阶之下,粘贴后接缝是看不出来的。而图2的AB接缝线处在5mm台阶内,且留置的台阶因板材厚度的影响才2mm,这2mm的台阶极有可能在造型后因太薄而开裂。



图3与图5复合方案对板材的厚度有要求,图3的复合方案板材厚度不能低于19mm,图5复合方案板材厚度不能低于16mm

  • 关注微信

猜你喜欢