当前位置:首页 > 杏耀注册 >

杏耀登录板材复合线条如何做,效果才更好!


现在家庭装饰项目很多,但家庭装饰项目的产品杂乱无章,各种产品均有,而且数量少。遇到少量线条时,一些石材加工企业因为没有荒料,因此采用板材复合的方式加工线条,这是个好的办法。


但是、板材复合线条,如果复合不好将影响产品的质量,弄不好客户拒绝收货。杏耀注册地址板材如何复合线条还是有讲究的。本文以几款板材复合线条的例子阐述板材复合线条的方法、技巧。




01

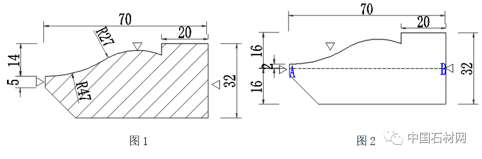
截面70*32线条




图1为一款截面70*32的线条,板材的厚度为32,可用板材16~20mm厚度的板材复合加工。

图2~图6是几种复合方案。图AB、BC、CD为粘接缝。







对比这几个复合方案,笔者认为从接缝的效果看,图5方案最棒,因为它利用图形的特点,粘接后没有出现接缝,好象用荒料加工的。

这种方案的不足就是粘接麻烦点;图4方案效果最差,因为粘接缝隙在线条的正面表面上,如果粘接缝隙大了,胶的颜色不对,对线条的表面质量影响很大。事实上这种方案确实做不到好的质量;图2、图3的复合方案尚可。

但对比图2、图3两个方案,看起来差不多,实际上图3比图2方案更合理些。因为图3的粘贴线AB放在线条的台阶之下,粘贴后接缝是看不出来的。而图2的AB接缝线处在5mm台阶内,且留置的台阶因板材厚度的影响才2mm,这2mm的台阶极有可能在造型后因太薄而开裂。


02

截面88*36线条

文中列举了图8~图14的7种复合方案,对比各方案的优劣,笔者认为图12、图13方案较好,特别是图12方案。

但这两种方案粘接时较难,烦琐;图9、图10方案次之。不过这两个方案中两侧都留着1条缝。如果粘接不好,效果就很差;

03

截面120*33的线条


对线条如此优化,如果不是用模板检查,客户一般是难以看出来的;图18方案虽然可以,但这个方案有个致命的缺陷,杏耀怎么注册如果粘接时没有将上下两件板粘牢固,缝隙大的话,造型时可能在粘接缝处崩边,开裂,从而影响线条表面的质量。由图20的复合方案可知对线条造型部分的优化,是板材复合线条加工的一个好方法。



图21为截面150*44的一款线条,线条的特点厚度45mm,有2处台阶,造型部分的深度30mm。从线条的厚度45mm看,用2件20mm的板材不能加工出来该线条,要用3件20mm的板材。

基于这些因素,这款线条的复合方案与上面三款线条有较大的差异。这款线条的复合方案依旧是从台阶处着手制定复合方案,图22~图27为复合方案。对比这5个方案,笔者认为图26、图27方案较优,只是粘接较麻烦,且要对线条造型部分进行优化。优化的方法是将圆弧造型部分下移1mm,见图26、图27。

从图形优化着手来优化复合线条的复合方案,是重要方法。图形优化后的复合方案效果更好,图形26、图27是图形优化后复合方案;图22的复合方案简单,最便于加工,但侧面出现了2条缝隙,如果粘接的缝隙过大了,加工出来的线条质量就很差了。

板材复合线条的方案很多,形式变化多样。但归根结底以“接缝少,加工简便”为原则,加工出的线条质量好,符合线条的质量标准。

  • 关注微信

猜你喜欢